使用R&S FSW和SMW200A 測量衛星信號質量
2024-01-16
要驗證衛星集成和在軌操作過程中衛星鏈路的質量,必須進行調制準確度及誤碼率 (BER) 測量。要測量調制準確度及 BER,通常需要分析在軌衛星和地面站在不同頻率下發射的載波的功率和數字解調特性。誤差矢量幅度 (EVM) 是測定轉發器內部再生信號質量的重要參數。
羅德與施瓦茨R&SFSW-K70 矢量信號分析 (VSA) 選件可輕松讀取EVM、BER、信號振幅和相位等參數。該選件可將衛星收發的信號與理想參考信號進行對比,以測定收發信號的質量。羅德與施瓦茨R&S FSW-K70 選件根據 DUT 發射的信號以及調制類型和符號率等用戶設置來計算參考信號。
配備 FSW-K70 選件的矢量信號分析儀可以:
對信號帶寬高達 2 GHz 的數字調制單載波信號進行分析
分析調制
使用針對 DVB-S2(X) 的預定義標準設置測量
BER在軌
衛星載波監控

可以使用圖中所示裝置快速準確地監控衛星。根據地面站配置和所用頻段,可以使用頻率范圍不同的頻譜分析儀。
衛星鏈路的干擾排查:載波間測量

載波間測量可展示 VSA 應用如何分析衛星鏈路的干擾并進行故障排查,例如以下情況:GSM 信號干擾操作地面站發射的信號,或者衛星地面站互相干擾。在此類情況下,干擾信號和被干擾信號處于相同頻段,并具備相同的調制特性。因此,有用信號的質量會下降,但查看頻譜卻無法立即檢測到任何干擾信號。

DVB-S2X 信號針對有效載荷和幀頭部分使用不同的調制方案。可以使用 R&S?FSW 多標準無線電分析儀 (MSRA) 模式和 R&S?FSW-K70 選件分析不同的調制。根據此配置,R&S?FSW 會根據同樣的 I/Q 數據解調 DVB-S2X 信號的幀頭和有效載荷數據,并在不同的窗口中分別顯示性能參數和星座圖等。在這種情況下,有效載荷采用256APSK 調制,幀頭和導頻部分則使用更為可靠的 QPSK 調制。此屏幕截圖為有效載荷子頁。

此場景與上文屏幕截圖中場景相同。此屏幕截圖為幀頭子頁。

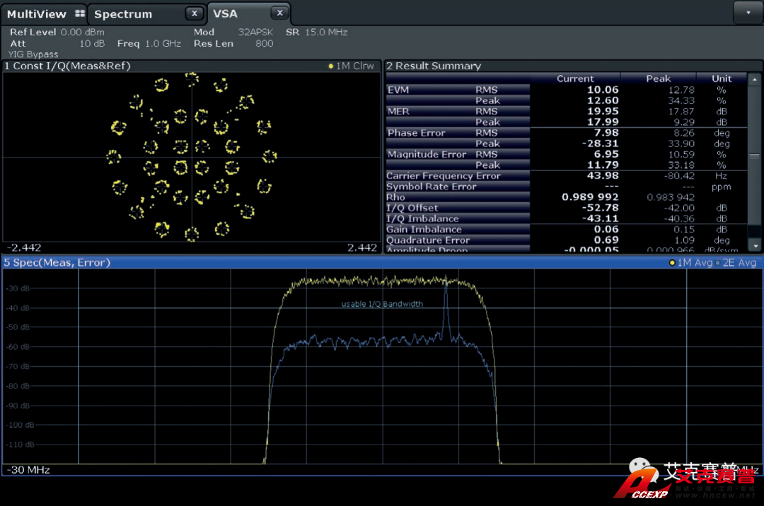
此屏幕截圖為干擾場景示例。有用信號為帶 15 Msymbol/s 采樣率的 DVB-S2 32APSK 調制信號。干擾 GSM 信號對有用信號的電平 / 頻率偏移為 –20 dB/5 MHz。結果匯總顯示,有用信號的 EVM 增加了。誤差頻譜(藍色)顯示,干擾GSM 信號所在的頻譜段誤差電平更高。
最新資訊